 
	    				    			Features
◇ Suitable for objects with slightly uneven surface.
◇ Suitable for all kinds of objects with smooth surface.
Applications
◇ Electronic components
◇ Solar wafer
◇ Sheet metal
| How to order | ||||||
| SUF 3.5 N -M5M ① ② ③ ④ | ||||||
| ① Series | ② Diameter | ③ Material & Hardness | ④ Connection thread | |||
| SUF | 3.5 - φ3.5mm 5.5 - φ5.5mm | N - NBR S - Silicone | Nil -Suction cup alone M5M -M5 Male thread | |||
| Technical parameters | ||||
| Model | Pull-out force (N) | Inner volume (cm3) | Min. curve radius of workpiece (mm) | Recommended hose dia. (mm) | 
| SUF3.5 | 0.4 | <0.1 | 6 | 4 | 
| SUF5.5 | 0.7 | <0.1 | 10 | 4 | 
◇Note: Testing vacuum level -60kPa.Workpiece with smooth and clean surface. The data of pull-out force as above are
figured out without considering safety factor. The data may be different according to different workpiece surfaces.

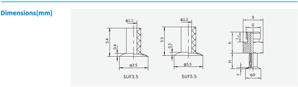
| Model/Size | D | Y | H | h | G | LG | S | 
| SUF3.5-M5M | 3.5 | 0.4 | 5.4 | 4 | M5 | 3.5 | 7 | 
| SUF5.5-M5M | 5.5 | 0.5 | 5.5 | 4 | M5 | 3.5 | 7 | 
| Mounting parts | ||||||||||
| Item | Model | Applicable suction cup | ||||||||
| Fitting for suction cup | PJS-M5M-SUF5.5 | SUF3.5、5.5 | ||||||||